MMG600WQ100PD6T7
-
產品特點
-
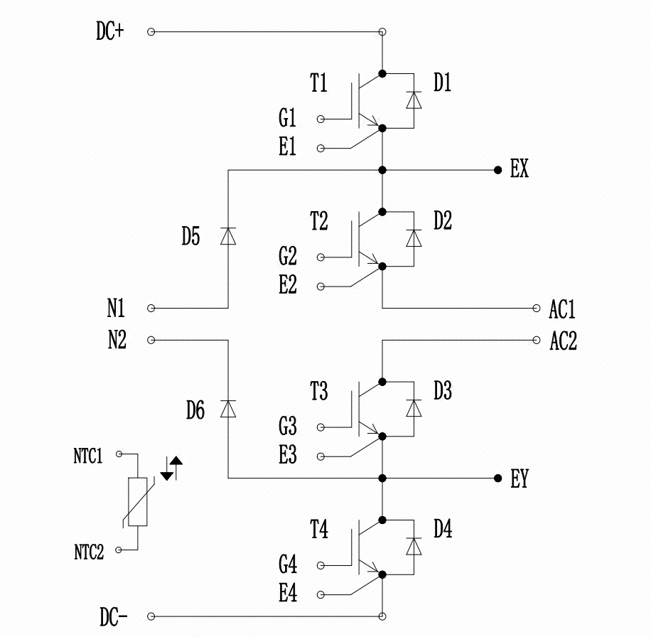
拓撲
-
應用領域
-
規格參數
